
Bu STM8S103F3P6 təsirli funksionallığı və sorunsuz inteqrasiyası üçün məşhur olan Stmicroelektronics tərəfindən istehsal olunan 8 bit mikroidəndir.Bu kompakt cihaz, qabaqcıl texnologiyadan istifadə edərək, inkişaf etmiş bir nüvə və periferik olan bir səthə quraşdırılmış bir cihaz (SMD) montaj tərzi ilə təchiz edilmişdir.16 MHz saat tezliyi ilə, STM8S103F3P6, səmərəli məlumatların işlənməsi və işlənməsini təmin edərək möhkəm bir I / O imkanları ilə öyünür.Müstəqil bir saat mənbəyi və saat təhlükəsizlik sistemi ilə təchiz olunmuş müstəqil Watchdog Timer, optimal cihazın performansına və potensial pozuntulara qarşı dayanıqlığa zəmanət verir.
Danışma xüsusiyyətlərindən biri kod və məlumatlar üçün uçucu olmayan saxlama təmin edən flash yaddaşıdır.2.95 v-dən 5.5-ə qədər olan bir əməliyyat gərginliyi aralığı ilə bu mikroiontroller çox yönlü və müxtəlif tətbiqlərə uyğunlaşır.Bundan əlavə, müxtəlif ekoloji şəraitdə yerləşdirmə üçün uyğunlaşdırılan geniş əməliyyat temperaturu temperaturu 85 ° C-dən 85 ° C təqdim edir.
• MSP430G2353
• PIC16LF18444T
• STM8S103F3P3
• STM8S103F3P3TR
• STM8S103F3P6TR


Aşağı güc istehlakı: Boş rejimi, yuxu rejimi, dərin yuxu rejimi və söndürmə rejimi, effektiv şəkildə batareyanın ömrünü və enerjiyə qənaət edə biləcəyi seçmək üçün müxtəlif güc istehlak rejimləri var.
Yüksək performans: Əməliyyat tezliyini 16MHz qədər yüksək səviyyədə olmağa imkan verən yüksək performanslı STM8 əsas memarlığını qəbul edir və tətbiqlərin icrası sürətini çox yaxşılaşdıran və tətbiqlərimiz üçün daha səmərəli hesablama imkanları təmin edir.
Birdən çox ünsiyyət interfeysi: SPI (seriya periferik interfeys), i2c və uart daxil olmaqla müxtəlif ünsiyyət interfeyslərini dəstəkləyir.Bu interfeyslər vasitəsilə daha çox funksiyalar və tətbiqlərə nail olmaq üçün xarici cihazlarla asanlıqla əlaqə qura və qarşılıqlı əlaqə qura bilər.
Boxlu periferiklər: STM8S103F3P6 MicroController, 16KB flash yaddaş və 1KB yaddaş yaddaşı, həmçinin GPIO sancaqları, taymerlər və UART kimi interfeyslər də çoxdur.Bu periferiklərin müxtəlifliyi cihazı müxtəlif tətbiq ssenarilərinə uyğun edir və müxtəlif sahələrin və sənaye sahələrinin ehtiyaclarını ödəyə bilər.İstevik nəzarət, ağıllı ev və ya quraşdırılmış sistemlər, STM8S103F3P6 dəstək verə bilər.

STM8S103F3P6 nazik bir kiçilən kiçik bir kontur paketinə (TSSOP) qablaşdırılır və 20 sancaq var.Bədən və qurğuşun boşluğu standart səs paketlərindən daha kiçikdir.TSSOP-ın tipik bir xüsusiyyəti, SMT texnologiyasından istifadə edərək PCB-lərdə pcbs-də məftlama üçün uyğun olan parkalardakı sancaqların meydana gəlməsidir.TSSOP paketindən istifadə edərkən, parazitar parametrləri (cari böyük dəyişikliklər nəticəsində yaranan çıxış gərginliyi) daha kiçikdir, buna görə yüksək tezlikli tətbiqlər üçün uyğundur.Bu cür paket işləmək üçün daha əlverişlidir və daha yüksək etibarlılıqdır.
TSSOP paketi aşağıdakı xüsusiyyətlərə malikdir:
• Kiçik pin boşluğu: pin boşluğu ümumiyyətlə 0,5 mm və ya 0.65 mm-dir.Dövrə lövhəsi mis çubuqlarının dizaynı ilə eyni sahə və ölçüsü olan dövrə lövhəsinə daha çox cihaz yerləşdirilə bilər.
• Tətbiqin genişliyi: Microcontroller, DSP, Yaddaş Çipləri və Elektrik təchizatı fişləri kimi müxtəlif tətbiq sahələrinə tətbiq edilə bilər.
• Yüksək pin sayı: sancaqların sayı ümumiyyətlə 20 ilə 64 arasında, bu, müəyyən çip inteqrasiya tələblərinə cavab verə bilər.
• Kiçik paket ölçüsü: Adi kiçik kontur (beləliklə) paketləri ilə müqayisədə, onun paketi ölçüsü daha kiçik, qalınlığı incədir və yüksək sıxlıqlı inteqrasiya edilmiş sxemlərin qablaşdırılması üçün uyğun hala gətirir.
• Yüksək performans: Səthi montaj texnologiyasını qəbul edir, yaxşı keçiriciliyi və korroziya müqavimətinə malikdir və yüksək sürətli, yüksək tezlikli, miniatürləşmə və s. Kimi xüsusi tələblərə cavab verə bilər.
Başqa bir şəkildə göstərilmədiyi təqdirdə, bütün gərginliklər VSS-ə sövq edilir.
Minimum və maksimum dəyərlər, mühit istiliyini, tədarük gərginliyini və tezliklərini əhatə edən ən mənfi şəraitdə zəmanət verilir.Bu zəmanətlər, TA = 25 ° C və TA = Tamax (seçilmiş temperatur aralığı ilə) ətraf mühit istiliyi ilə aparılmış cihazların 100% -i üzərində aparılmış ciddi istehsal testləri vasitəsilə qurulur.
Xarakterizə nəticələrinə əsaslanan dəyərlər, dizayn simulyasiyaları və / və ya texnoloji xüsusiyyətlər cədvəl qeydlərində qeyd olunur və istehsal testindən keçməmişdir.Xarakterizə ilə əlaqədar, minimum və maksimum dəyərlər nümunə qiymətləndirmələrinə aiddir və bir sıra və ya mənfi ilə bir sıra və ya mənfi olan orta dəyəri (orta ± 3σ) ilə müqayisə edin.
Başqa cür ifadə edilmədikdə, standart məlumatlar ta = 25 ° C, VDD = 5 V. ilə qurulur, bu dəyərlər yalnız dizayn arayışları kimi təqdim olunur və sınaqdan keçirilməyib.
ADC dəyərlərinin tipik dəqiqliyi, tam temperatur aralığında standart bir yayılma nöqtəsinin bir sıra nümunələrin xarakterizə edilməsi yolu ilə qurulur.Bu çərçivədə cihazların 95% -i göstərilən dəyər daxilində səhv sərgiləyir (orta ± 2σ).
Xüsusi olaraq göstərilmədiyi halda, bütün standart qrafiklər yalnız dizayn arayışları kimi nəzərdə tutulmuş və sınaqdan keçirilməmişdir.
Göstərilən mütləq maksimum reytinqləri aşmaq cihazın daimi ziyanı ilə nəticələnə bilər.Bu reytinqlər yalnız cihazın dözə biləcəyi stress həddini göstərir və cihazın bu şərtlərdə düzgün işləyəcəyi barədə məlumat verilmədiyini göstərir.Maksimum reytinqdəki və ya yaxınlığında şəraitə məruz qalma cihazın etibarlılığına mənfi təsir göstərə bilər.
Tətbiq şərtlərini əks etdirən cihazın missiya profili, JEDEC JESD47 ixtisas standartına, tələbi ilə mövcud olan missiya profilləri ilə əlaqələndirir.
Əsas tənzimləyici üçün sabitliyə nail olmaq üçün, CEXT etiketli xarici bir kondansatör VCAP pininə qoşulmalıdır.Seriya indukturunun 15 nh-dən aşağı olduğu qənaətinin vacibdir.
Mövcud istehlak aşağıdakı şəkildəki kimi ölçülür.

Run rejimində cəmi tədarük cari istehlak
MCU aşağıdakı şərtlərlə yerləşdirilib:
• Bütün periferiklər deaktiv olunur (saatı periferik saat qapı qapıları tərəfindən dayandırılır), istisna olmaqla.
• VDD və ya VSS-də statik bir dəyər ilə giriş rejimində olan bütün I / O sancaqlar (yük yoxdur)
VDD və TA üçün ümumi əməliyyat şərtlərinə tabedir.

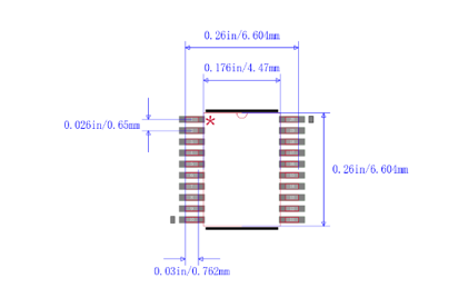
STM8S103F3P6 20 sancaq var, pin adları və funksiyaları aşağıdakılardır:
PIN1 (PD4 / BEEP / Tim2_ CH1 / UART1 _CK): Port D4
PIN2 (PD5 / AIN5 / UART1 _TX): Port D5
PIN3 (PD6 / AIN6 / UART1 _rx): Port D6
PIN4 (NRST): yenidən qurun
PIN5 (PA1 / Oscin): Port A1
PIN6 (PA2 / OSCOUT): Port A2
PIN7 (VSS): Rəqəmsal torpaq
PIN8 (VCAP): 1.8 v tənzimləyici kondensatoru
PIN9 (VDD): Rəqəmsal enerji təchizatı
PIN10 (PA3 / Tim2_ CH3 [Spi_ NSS]): Port A3
PIN11 (PB5 / I2C_ SDA [Tim1_ Bkin]): Port B5
PIN12 (PB4 / I2C_ SCL): Port B4
PIN13 (PC3 / Tim1_ch3 [TLI] [Tim1_ CH1N]): Port C3
PIN14 (PC4 / CLK_CCO / Tim1_ CH4 / AIN2 / [Tim1_ CH2N]): Port C4
PIN15 (PC5 / Spi_sck [Tim2_ CH1]): Port C5
PIN16 (PC6 / Spi_mosi [Tim1_ CH1]): Port C6
PIN17 (PC7 / Spi_miso [Tim1_ CH2]): Port C7
PIN18 (PD1 / Üzmə): Port D1
PIN19 (PD2 / AIN3 / [Tim2_ CH3]): Port D2
PIN20 (PD3 / AIN4 / Tim2_ CH2 / ADC_ ETR): Port D3
Yuxarıdakı rəqəmdə göstərildiyi kimi, STM8S103F3P6 çipi, GPIO, periferik interfeyslər, ADC və s. Kimi müxtəlif məqsədlər üçün istifadə edilə bilən 16 I / O sancaqlar var, I / O sancaqlarXarici siqnallar oxumaq və ya xarici cihazlara siqnal göndərmək üçün çıxış sancaqları oxumaq üçün giriş sancaqları kimi istifadə olunur.Bundan əlavə, hər bir I / O pin, baş verdikdə fasilələrin dəqiq işlənməsini asanlaşdırmaq üçün müstəqil olaraq kəsilmiş vektor təyin edilə bilər.
• Avtomatlaşdırma sistemləri: Bu mikroiontroller elektrik pərdələri, giriş idarəetmə sistemləri, temperatur nəzarəti və işıqlandırma nəzarəti kimi avtomatlaşdırma sistemlərində istifadə edilə bilər.
• IOT (şeylərin interneti) tətbiqi: IOt cihazlarını inkişaf etdirməliyiksə, müxtəlif sensorlar və rabitə modullarını bağlamaq və idarə etmək üçün iot qovşaqları üçün nəzarətçi kimi istifadə edilə bilər.
• Şəxsi elektron cihazlar: rəqəmsal kameralar, MP3 və MP4 oyunçuları, elektron oyun konsolları və s.
• Elektron avadanlıqlar: Müxtəlif elektron avadanlıqları inkişaf etdirmək üçün istifadə olunur
, elektron oyuncaqlar, uzaqdan idarəetmə, mini kalkulyatorlar və s. Kimi
• Sənaye sahəsində: PLC, sənaye nəzarətçiləri, prosesin avtomatlaşdırılması və gəmi avtomatik idarəetmə avadanlıqları və s.
• Məlumatların alınması və sensor interfeysi: Ətraf mühitin şərtlərini izləmək və məlumat toplamaq və ya işıq sensorları, temperatur sensorları və rütubət sensorları kimi müxtəlif sensorlar birləşdirmək üçün istifadə olunur.
• Daxili idarəetmə sistemi: məişət texnikası, sənaye avadanlıqları, elektrik alətləri və s. Kimi müxtəlif quraşdırılmış idarəetmə sistemlərini dizayn etmək üçün istifadə olunur. 8 bit emal gücü bir çox sadə idarəetmə vəzifələri üçün kifayətdir.
STM8S103F3P6, Stmicroelektronika tərəfindən hazırlanmış mikroiontroller çipidir.Bu 8 bit mikroiontrollers-in STM8 ailəsinə aiddir və müxtəlif quraşdırılmış sistemlərdə və iot tətbiqlərində geniş istifadə olunur.
STM8S103F3P6 MicroController Unit 640 bit rom, 10 bitli 5 kanalda ADC, 1KB RAM və 8KB bir proqram ölçüsü ilə bir proqramdır.
STM8S103F3P6, MSP430G2353, PIC16LF18444, STM8S103F3P3, STM8S103F3P3TR və ya STM8S103F3P6tr ilə əvəz edə bilərik.
Bəli, STM8S103F3P6, aşağı enerji xüsusiyyətləri ilə hazırlanmışdır və enerjinin səmərəliliyinin vacib olduğu batareya ilə işləyən və ya aşağı enerji tətbiqlərində istifadə edilə bilər.
STM8S103F3P6-nın bəzi əsas xüsusiyyətləri GPIO (ümumi təyinatlı giriş / çıxış) sancaqlar, uart (universal asinxron qəbuledici / ötürücü) rabitə, i2c (inteqrasiya olunmuş dövrə) rabitə, sperma (seriyalı periferik interfeys) rabitə, taymerlər və s.
BIZIM HAQQıMıZDA
Hər dəfə müştəri məmnuniyyəti.Qarşılıqlı etimad və ümumi maraqlar.
Litium sikkə hüceyrəsinin texniki xüsusiyyətləri CR2354
2024-08-02
Atmega328-PU mikroontroller üçün hərtərəfli bələdçi
2024-08-02
Elektron poçt: Info@ariat-tech.comHK TEL: +852 30501966Əlavə et: Rm 2703 27F Ho King Comm Center 2-16,
Fa Yuen St MongKok Kowloon, Hong Kong.